舒适CAN总线故障检修
-
1
-
2
上一节
![]()
客户报修:迈腾B7L操纵中控右前车窗升降开关时,右前车窗不能正常升降,但单独操纵右前车窗开关,车窗能正常升降,需检修该故障。

![]()
(1)知识点介绍
1)电路分析
①驾驶员侧车门控制单元(J386)电路图及安装位置


②副驾驶员侧车门控制单元(J387)电路图及安装位置


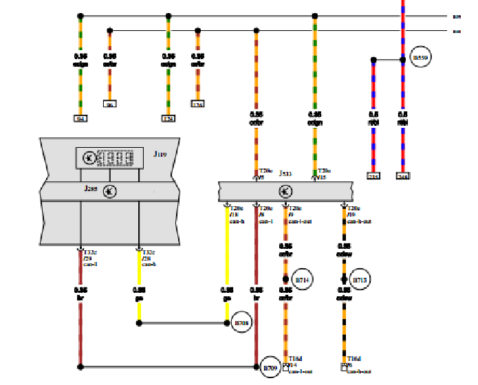
③中控开关电路

④右前车窗升降控制电路



2)故障原因分析

3)故障诊断与排除
(2)PPT课件学习
(3)参考图书
![]()
![]()


