模块10 阶梯轴工件编程与加工(G70G71指令运用)
-
1 授课PPT
-
2 授课微视频
-
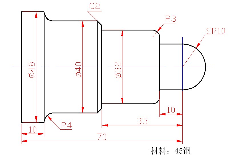
3 图纸及程序
上一节
下一节
授课PPT
G71指令刀轨动画


