模块18 螺纹循环切削编程与加工(G92指令运用)
-
1 授课PPT
-
2 授课微视频
-
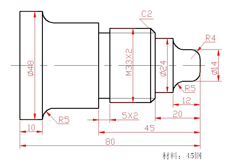
3 图纸及程序1
-
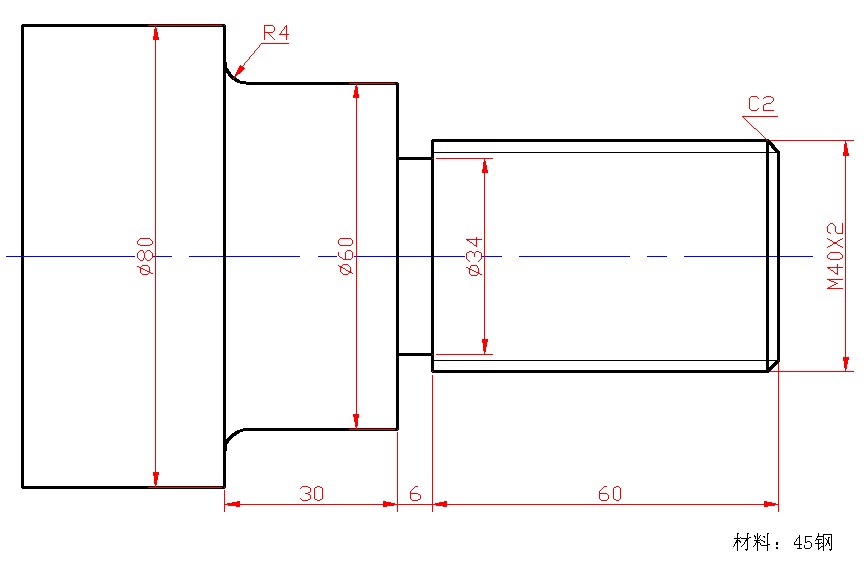
4 图纸及程序2
上一节
下一节
授课PPT












