模块19 椭圆轮廓工件编程与加工(宏指令应用)
-
1 授课PPT
-
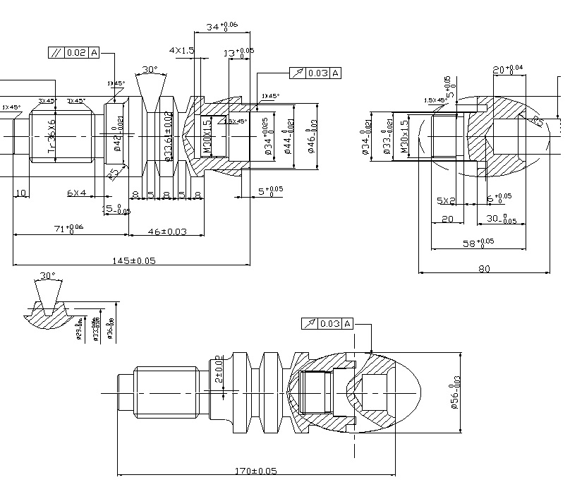
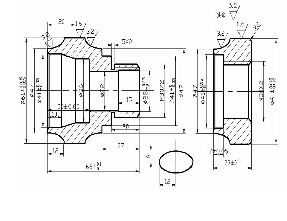
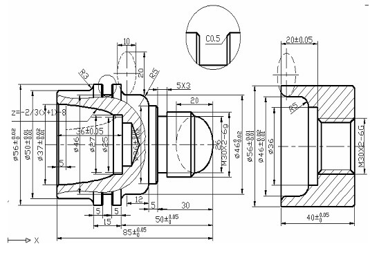
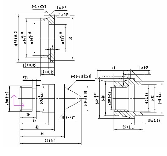
2 加工图纸
上一节
下一节
授课PPT











