模块20 复杂工件编程与加工(综合指令应用)
-
1 授课PPT
-
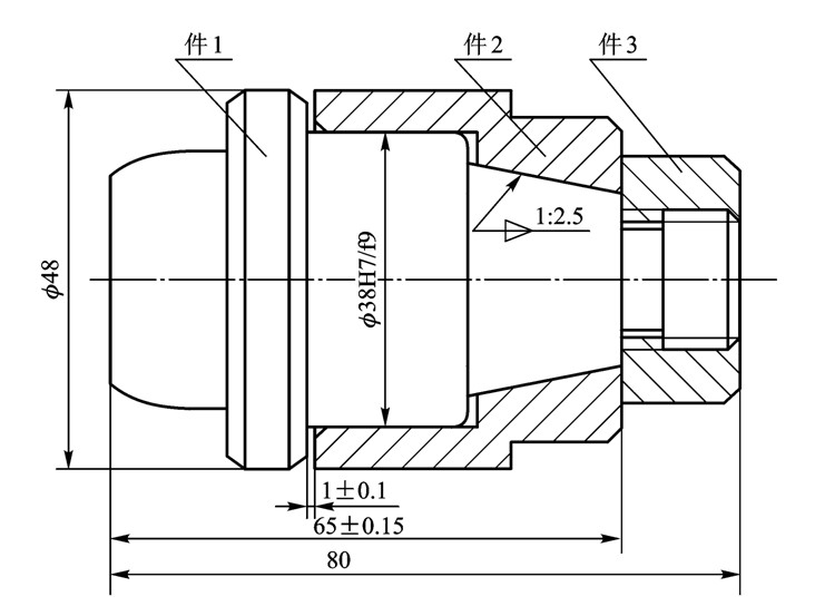
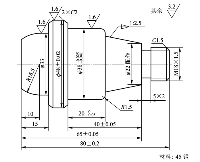
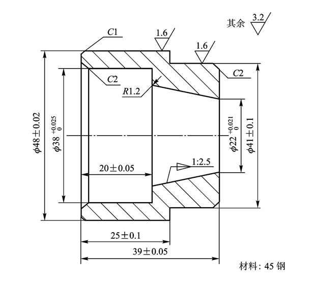
2 图纸及程序
上一节
下一节
授课PPT







