目录

  • 1 嵌入式系统概述
    • 1.1 嵌入式系统定义
    • 1.2 嵌入式系统应用
    • 1.3 嵌入式系统平台
      • 1.3.1 嵌入式系统硬件平台
      • 1.3.2 嵌入式系统软件平台
    • 1.4 嵌入式系统设计学习
  • 2 ARM Cortex-M3-M4编程模型
    • 2.1 ARM系统概述
    • 2.2 Cortex-M3M4概述
    • 2.3 Cortex-M3M4基础
      • 2.3.1 核心寄存器
      • 2.3.2 特殊功能寄存器
      • 2.3.3 操作模式
    • 2.4 存储器系统
      • 2.4.1 基本概念
      • 2.4.2 内存映射
    • 2.5 异常与中断
  • 3 STM32系列处理器概述
    • 3.1 STM32系列处理器概述
  • 4 STM32F429控制器结构
    • 4.1 STM32F429控制器结构
  • 5 STM32F429处理器存储空间和寄存器
    • 5.1 存储器结构
    • 5.2 寄存器操作
  • 6 ST函数库简介
    • 6.1 ST函数库简介
  • 7 STM32F429控理器GPIO结构及应用
    • 7.1 GPIO 结构原理
      • 7.1.1 GPIO 功能描述
      • 7.1.2 GPIO 结构原理
    • 7.2 GPIO 固件库
    • 7.3 GPIO 输出控制
    • 7.4 GPIO输入控制
    • 7.5 GPIO复用功能
  • 8 STM32F429控制器启动代码分析
    • 8.1 STM32F429控制器启动代码分析
  • 9 STM32F429控理器NVIC中断管理
    • 9.1 NVIC中断管理
    • 9.2 NVIC中断常用库函数
    • 9.3 NVIC中断管理应用
  • 10 STM32F429控理器外部中断
    • 10.1 外部中断结构
    • 10.2 外部中断库函数
    • 10.3 外部中断应用
  • 11 STM32F429控理器时钟系统
    • 11.1 时钟系统结构
    • 11.2 时钟系统相关库函数
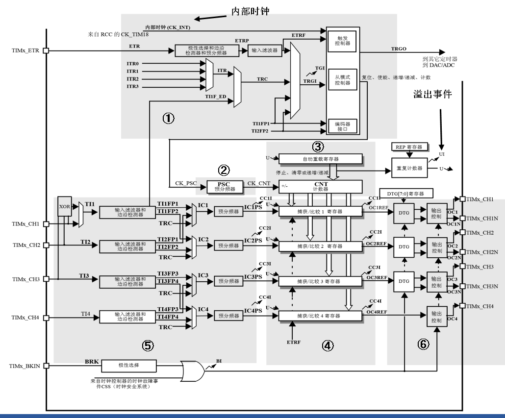
  • 12 STM32F429控理器定时器
    • 12.1 定时器概述
    • 12.2 定时器计数功能
    • 12.3 定时器PWM波输出功能
    • 12.4 定时器输入捕抓功能
    • 12.5 定时器库函数
    • 12.6 定时器应用
  • 13 13 STM32F429控理器USART
    • 13.1 通信相关概念
    • 13.2 USART基本结构
    • 13.3 常用库函数
    • 13.4 USART应用
  • 14 14 STM32F429处理器模数转换器
    • 14.1 模数转换器概念
    • 14.2 STM32F429 ADC结构原理
    • 14.3 STM32F429 ADC常用库函数
    • 14.4 ADC应用
  • 15 STM32F429控制理器 DMA
    • 15.1 STM32F429  DMA原理
    • 15.2 STM32F429  DMA库函数
    • 15.3 DMA应用
  • 16 STM32F429控制理器IIC控制器
    • 16.1 IIC协议
    • 16.2 协议时序分析
    • 16.3 软件模拟IIC协议程序分析
      • 16.3.1 软件模拟IIC协议程序分析-1
    • 16.4 IIC总线读写实验
定时器概述