目录

  • 1 同济大学mooc网址--中国大学mooc
    • 1.1 同济大学钢结构原理MOOC
  • 2 原理-绪    论
    • 2.1 重点内容
    • 2.2 教材内容pdf
    • 2.3 钢结构的特点
    • 2.4 我国钢结构的应用
    • 2.5 钢结构主要结构形式
    • 2.6 钢结构可能的破坏形式
    • 2.7 钢结构设计要求
    • 2.8 钢结构的制造过程和内在缺陷
    • 2.9 钢结构设计表达式
    • 2.10 钢结构的发展
    • 2.11 同济大学慕课ppt
    • 2.12 教师ppt
    • 2.13 绪论自测题
  • 3 原理-材 性
    • 3.1 重点
    • 3.2 教材内容pdf
    • 3.3 附录6 疲劳计算的构件和连接分类
    • 3.4 附录7 型钢表
    • 3.5 钢材的基本性能和指标
    • 3.6 影响钢材性能的主要因素
    • 3.7 复杂应力与应力集中
    • 3.8 超屈服荷载作用(反复作用)
    • 3.9 钢材的塑性破坏和脆性破坏
    • 3.10 疲劳破坏
    • 3.11 钢材的品种与规格
    • 3.12 钢材的选用原则
    • 3.13 同济大学ppt
    • 3.14 教师ppt
    • 3.15 材性自测题
  • 4 原理-连接
    • 4.1 重点内容
    • 4.2 教材pdf
    • 4.3 钢结构的连接方式
    • 4.4 焊接连接的特性
    • 4.5 焊接应力与焊接变形
    • 4.6 对接焊缝的计算公式
      • 4.6.1 教师对接焊缝ppt
    • 4.7 对接焊缝的例题
    • 4.8 对接焊缝测验题
    • 4.9 教师角焊缝的构造和计算ppt
    • 4.10 角焊缝计算公式
    • 4.11 角焊缝计算例题
    • 4.12 角焊缝测验题
    • 4.13 教师普通螺栓连接的构造和计算ppt
    • 4.14 普通螺栓连接的计算公式
    • 4.15 普通螺栓连接计算例题
    • 4.16 普通螺栓章节测验
    • 4.17 教师高强度螺栓连接的构造和计算ppt
    • 4.18 高强度螺栓连接的计算公式
    • 4.19 高强度螺栓连接计算题
    • 4.20 高强螺栓章节测验
    • 4.21 同济大学mooc-ppt
  • 5 原理-轴心受拉构件
    • 5.1 重点内容
    • 5.2 教材内容pdf
    • 5.3 轴心受拉构件的强度
    • 5.4 轴心受拉构件的刚度
    • 5.5 索的力学性能和强度计算
    • 5.6 轴心受拉构件计算公式
    • 5.7 轴心受拉构件计算例题
    • 5.8 同济大学mooc-ppt
    • 5.9 教师ppt
    • 5.10 自测验
  • 6 原理-轴心受压构件
    • 6.1 重点内容
    • 6.2 教材内容pdf
    • 6.3 轴心受压构件的强度
    • 6.4 轴心受压构件的刚度
    • 6.5 轴心受压构件的整体稳定
    • 6.6 轴心受压构件格构柱整体稳定计算
    • 6.7 轴心受压构件局部稳定计算
    • 6.8 同济大学mooc-ppt
    • 6.9 教师ppt
    • 6.10 自测验
  • 7 原理-受弯构件
    • 7.1 重点内容
    • 7.2 教材内容
    • 7.3 受弯构件分类及截面形式
    • 7.4 受弯构件的破坏形式
    • 7.5 受弯构件的强度
    • 7.6 受弯构件的整体稳定
    • 7.7 受弯构件局部稳定及加劲肋设计
    • 7.8 腹板屈曲后强度利用
    • 7.9 受弯构件刚度
    • 7.10 受弯构件的计算例题
    • 7.11 同济大学mooc-ppt
    • 7.12 教师ppt
    • 7.13 自测验
  • 8 原理-拉弯构件和压弯构件
    • 8.1 重点内容
    • 8.2 教材内容
    • 8.3 拉弯构件的强度计算
    • 8.4 拉弯构件的刚度验算
    • 8.5 拉弯构件的计算例题
    • 8.6 压弯构件类型及截面形式
    • 8.7 压弯构件的失效形式
    • 8.8 压弯构件的强度计算
    • 8.9 压弯构件的刚度验算
    • 8.10 压弯构件的弯矩作用平面内整体稳定计算
    • 8.11 压弯构件的弯矩作用平面外整体稳定计算
    • 8.12 压弯构件局部稳定
    • 8.13 压弯构件的计算例题
    • 8.14 同济大学mooc-ppt
    • 8.15 教师ppt
    • 8.16 自测验
  • 9 设计- 连接节点设计
    • 9.1 本章教材电子版参考
    • 9.2 本章学习目标及重点
    • 9.3 本章复习要求
    • 9.4 梁的连接
    • 9.5 柱的连接
    • 9.6 梁与柱的连接
    • 9.7 柱脚的设计
    • 9.8 教师ppt
  • 10 设计- 桁架及屋盖设计
    • 10.1 本章教材电子版
    • 10.2 本章学习目标及重点
    • 10.3 本章MOOC线上学习要求
    • 10.4 中、重型厂房的结构形式
    • 10.5 中、重型厂房的柱网布置
    • 10.6 横向框架
    • 10.7 结构纵向传力系统
    • 10.8 柱的截面形式及构造
    • 10.9 屋架的形式
    • 10.10 屋盖支撑
    • 10.11 屋架的内力计算和组合
    • 10.12 屋架杆件的计算长度
    • 10.13 屋架杆件的截面形式
    • 10.14 屋架构造要求和杆件截面选择
    • 10.15 屋架节点设计
    • 10.16 教师ppt
  • 11 设计-  疲劳计算和吊车梁的设计
    • 11.1 本章学习目标与重点
    • 11.2 本章MOOC线上学习要求
    • 11.3 本章复习要求
    • 11.4 吊车梁的荷载及工作性能
    • 11.5 吊车梁的截面组成
    • 11.6 吊车梁的截面验算
    • 11.7 教师ppt
  • 12 工程实例-钢屋架设计实例
    • 12.1 本章学习目标
    • 12.2 本章MOOC线上学习要求:
    • 12.3 钢屋架设计过程
    • 12.4 钢屋架设计实例pdf
    • 12.5 钢屋架节点板尺寸的确定
    • 12.6 钢屋架施工图的绘制
    • 12.7 梯形钢屋架标准图集
    • 12.8 钢屋架设计任务分配
    • 12.9 课程设计相关表格等
      • 12.9.1 封皮
      • 12.9.2 诚信声明
      • 12.9.3 课程设计专用纸
      • 12.9.4 装订顺序
  • 13 复习1-钢结构设计原理复习要点
    • 13.1 考试要求ppt
    • 13.2 考试要求视频-可以在资料中下载
    • 13.3 复习要点
  • 14 复习2钢结构考试复习
    • 14.1 钢构考试复习之一ppt
    • 14.2 钢构考试复习之二ppt可在资料下载
  • 15 复习3-钢结构原理考试试卷及答案
    • 15.1 试卷一及答案
    • 15.2 试卷二及答案
    • 15.3 试卷三及答案
    • 15.4 试卷四及答案
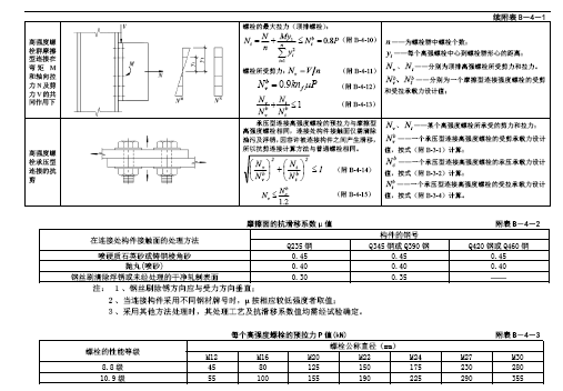
高强度螺栓连接的计算公式