1、视频学习:
中国大学MOOC视频学习网址:
https://www.icourse163.org/course/WHU-1001549001?tid=1450211448
课程信息:传感器技术 吴琼水 武汉大学
2、光电效应

根据上面的光电效应方程,当光照射在某些物体上时,光能量作用于被测物体而释放出电子,即物体吸收具有一定能量的光子后所产生的电效应,这就是光电效应。
光电效应中所释放出的电子叫光电子,能产生光电效应的敏感材料称作光电材料。
光电效应一般分为外光电效应和内光电效应两大类。根据光电效应可以做出相应的光电转换元件,简称光电器件或光敏器件,它是构成光电式传感器的主要部件。
3、外光电效应
当光照射到金属或金属氧化物的光电材料上时,光子的能量传给光电材料表面的电子,如果入射到表面的光能使电子获得足够的能量,电子会克服正离子对它的吸引力,脱离材料表面而进入外界空间,这种现象称为外光电效应。即外光电效应是在光线作用下,电子逸出物体表面的现象。
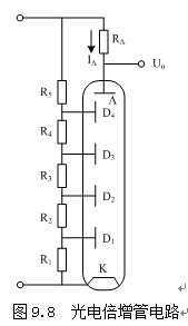
根据外光电效应制作的光电器件有光电管和光电倍增管。



光电管的性能主要由伏安特性、光照特性、光谱特性、响应时间、峰值探测率和温度特性等来描述。
光电倍增管的光谱特性与相同材料的光电管的光谱特性相似,主要取决于光阴极材料。
4、 内光电效应
内光电效应是指物体受到光照后所产生的光电子只在物体内部运动,而不会逸出物体的现象。
内光电效应多发生于半导体内,可分为因光照引起半导体电阻率变化的光电导效应和因光照产生电动势的光生伏特效应两种。光电导效应是指物体在入射光能量的激发下,其内部产生光生载流子(电子-空穴对),使物体中载流子数量显著增加而电阻减小的现象;这种效应在大多数半导体和绝缘体中都存在,但金属因电子能态不同,不会产生光电导效应。光生伏特效应是指光照在半导体中激发出的光电子和空穴在空间分开而产生电位差的现象,是将光能变为电能的一种效应。
基于光电导效应的光电器件有光敏电阻;基于光生伏特效应的光电器件典型的有光电池,此外,光敏二极管、光敏三极管也是基于光生伏特效应的光电器件。






5、课件PPT

