【任务目标】 任务一 水平挂钩
1.能够快速判断草图的分组与构成,确定绘图原点;
2.能够用草图工具绘制平面曲线并做到全约束;
3.会用拉伸成型工具生成实体;
4.建立良好的草图绘制习惯,具备草图绘制严谨态度做到曲线完全约束;
【目标检测】
1.请问图形中黄色区域的面积是多少?
2.请问模型的体积是多少?
(误差范围0.2%)
【重点难点】
1.草图绘制的一般方法
2.拉伸成型及报错检查(难点)
【工具命令】
圆 圆弧 倒圆角 尺寸约束 几何约束 拉伸 测量角度
【难度星级】 ★
【目标时间】 5分钟
【目标图纸】

【视频解析】
任务一 水平挂钩7.47'
【任务目标】 任务二 垂直挂钩
1.能够快速判断草图的分组与构成,确定绘图原点;
2.能够用草图工具绘制平面曲线并做到全约束;
3.会用分组、对称拉伸完成不同厚度的模并进行模型合并;
4.能够用选择过滤器实现拉伸的分组选择;
5.建立良好的草图绘制习惯,具备草图绘制严谨态度做到曲线完全约束;
【目标检测】
1.请问图形中黄色区域的面积是多少?
2.请问模型的体积是多少?
(误差范围0.2%)
【重点难点】
1.草图绘制的一般方法
2.圆弧链接类零件绘制效率与技巧
3.草图分组拉伸(难点)
【工具命令】
圆 圆弧 倒圆角 修剪 尺寸约束 几何约束 对称拉伸
【难度星级】 ★ ★
【目标时间】 8分钟
【目标图纸】

【思路解析】
【视频解析】
任务二 竖直挂钩11.10'
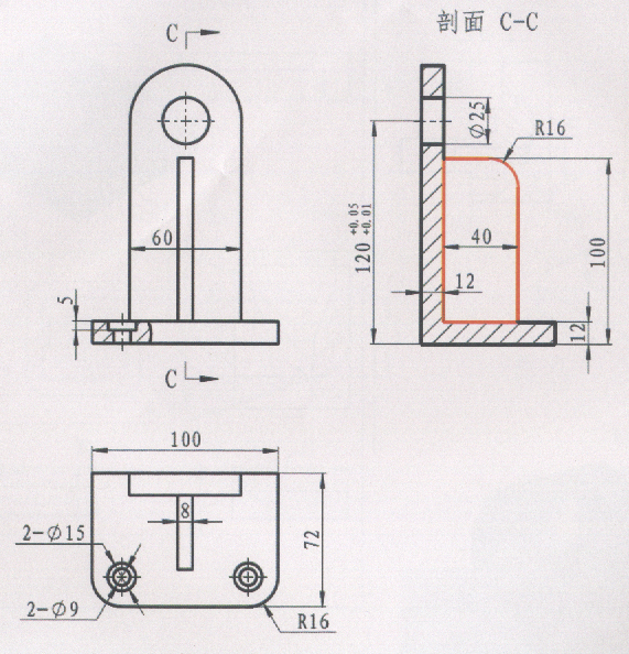
【任务目标】 任务三 支架建模
1.能够通过多个草图成型完成组合模型;
2.会用复制、镜像的办法绘制多组同心圆;
3.能够高校绘制圆弧连接类的草图曲线;
4.学会多视角投影来分析对象的构型;
5.正确选择草图放置平面,具备草图绘制严谨态度做到曲线完全约束;
【目标检测】
1.请问图形中黄色区域的面积是多少?
2.请问模型的体积是多少?
(误差范围0.2%)
【重点难点】
1.草图平面选择及原点确定依据在哪里?(难点)
2.圆弧连接类草图绘图思路与效率问题
3.组合模型的多视角成型分析(难点)
【工具命令】
草图平面选择 轮廓 圆弧 倒圆角 尺寸约束 几何约束 修剪 拉伸 布尔运算
【难度星级】 ★ ★
【目标时间】 10分钟
【目标图纸】

【思路解析】
【视频解析】

任务三 支架建模11.58'
【任务目标】 任务四 钳口板建模
1.能够快速确定草图坐标原点,将草图分组定位;
2.能够用草图工具绘制平面曲线并做到全约束;
3.会用分组、对称拉伸完成不同厚度的模并进行模型合并;
4.能够正确选用圆、圆弧及倒圆工具实现高效草图绘制;
5.会框选移动对象使绘制曲线与目标曲线大小形状相当,保证施加约束后变形量小;
6.建立良好的草图绘制习惯,具备草图绘制严谨态度做到曲线完全约束;
【目标检测】
1.请问图形中黄色区域的面积是多少?
2.请问模型的体积是多少?
(误差范围0.2%)
【重点难点】
1.几何约束高效选择技巧(难点)
2.圆、圆弧及倒圆角三个工具之间的效率与应用(难点)
3.圆弧连接类草图绘图思路与效率问题
【工具命令】
轮廓曲线 圆弧 倒圆角 尺寸约束 几何约束 对称拉伸 布尔运算
【难度星级】 ★ ★
【目标时间】 10分钟
【目标图纸】

【思路解析】
【视频解析】
任务四 钳口板建模12.09'
【任务目标】 任务五 极简拉伸
1.能够看懂图纸,确定背板高度;
2.熟练运用拉伸+偏置造型;
3.能灵活创建拉伸的矢量;
4.能够利用同心关系快速确定沉头孔中心点位置坐标;
5.会用三面倒圆实现全圆倒角;
5.树立极简思维和对称思维;
【目标检测】
1.请问图形中黄色区域的面积(3个面,肋板为单侧)是多少肋板?
2.请问模型的体积是多少?
(误差范围0.2%)
【重点难点】
1.掌握拉伸、偏置和矢量的关系(难点)
2.同心孔类零件先倒角,为打孔提供圆心捕捉
3.全圆倒角工具的优势
【工具命令】
草图 直线 约束 两侧偏置拉伸 三面圆角 打孔
【难度星级】 ★ ★
【目标时间】 10分钟
【目标图纸】


【思路解析】
【视频解析】

任务五 极简拉伸10.29'